कसरी Cyaniding उपकरणले सुन रिकभरी र साइट सुरक्षा सुधार गर्छ?

यदि तपाईंले सायनाइडेशन "प्रभावी, तर तनावपूर्ण" जस्तो महसुस गर्नुभएको छ भने, तपाईंले यसको कल्पना गरिरहनुभएको छैन। रसायन विज्ञानले काम गर्छ — तर पनि दिनहुँको वास्तविकता गडबड हुन सक्छ: परिवर्तनशील अयस्क, अभिकर्मक ओभरस्पेन्डिङ, कार्बन घाटा, अप्रत्याशित डाउनटाइम, र सुरक्षित र निरन्तर रूपमा सञ्चालन गर्न निरन्तर दबाब। यस लेखले केलाई तोड्छCyaniding उपकरणवास्तवमा तपाईको लागि के गर्नुपर्छ, तपाईले किन्नु अघि के सोध्ने, र कसरी सबैभन्दा महँगो गल्तीहरूबाट बच्ने।


सार

आधुनिकCyaniding उपकरणट्याङ्कहरूको सेट मात्र होइन - यो एक जडान गरिएको प्रणाली हो जुन लीचिङ अवस्थाहरू नियन्त्रण गर्न, रिकभरी स्थिर गर्न, अभिकर्मक फोहोर कम गर्न र साइनाइड ह्यान्डलिङलाई अनुमानित राख्न डिजाइन गरिएको हो। खरीददारहरू सामान्यतया चार दुखाइ बिन्दुहरूसँग संघर्ष गर्छन्: असंगत रिकभरी, उच्च परिचालन लागत, कमजोर सुरक्षा नियन्त्रणहरू, र मर्मत टाउको दुखाइ। तल, तपाईंले साइनाइडिङ मोड्युलहरू (लिचिङ, सोस्र्पसन, डिसोर्पशन/इलेक्ट्रोविनिङ, डिटोक्स, र इन्स्ट्रुमेन्टेसन), एक चयन म्याट्रिक्स, कमिसनिङ सुझावहरू, र तपाईंले आपूर्तिकर्ता कुराकानीको क्रममा प्रयोग गर्न सक्ने FAQ खण्डको व्यावहारिक, प्लान्ट-फ्लोर दृश्य प्राप्त गर्नुहुनेछ।


सामग्रीको तालिका


एक नजर मा रूपरेखा

  • "मलाई साइनिडेशन चाहिन्छ" लाई पूर्ण, नियन्त्रण योग्य उपकरण दायरामा अनुवाद गर्नुहोस्।
  • कुन मोड्युलले तपाईंको घाटा (रिकभरी, अभिकर्मक, कार्बन, वा डाउनटाइम) ड्राइभ गरिरहेको छ पहिचान गर्नुहोस्।
  • तपाईंको अयस्क प्रकार र अवरोधहरूको लागि समाधानहरू तुलना गर्न सरल म्याट्रिक्स प्रयोग गर्नुहोस्।
  • कमजोर डिजाइनहरू चाँडै उजागर गर्ने चेकलिस्टको साथ आपूर्तिकर्ता बैठकहरूमा जानुहोस्।

वास्तविक क्रेता दुखाइ अंक

जब मानिसहरू किनमेल गर्छन्Cyaniding उपकरण, तिनीहरू अक्सर भन्छन् "मलाई उच्च रिकभरी चाहिन्छ।" तिनीहरूको सामान्यतया के अर्थ हुन्छ: "मलाई रिकभरी चाहिन्छ जुन अयस्क परिवर्तन हुँदा, अपरेटरहरू घुमाउँदा, र साइट टाढा हुँदा पनि उच्च रहन्छ।" यहाँ दुखाइ बिन्दुहरू छन् जुन बारम्बार देखा पर्दछ:

  • रिकभरी स्विंगहरूअयस्क परिवर्तनशीलता, पीस समस्याहरू, अक्सिजन सीमाहरू, वा खराब pH नियन्त्रणको कारणले गर्दा।
  • अभिकर्मक लागत क्रिपसाइनाइड वा लाइमको ओभरडोजबाट "सुरक्षित हुनको लागि।"
  • कार्बन समस्याहरूजस्तै फाउलिङ, एट्रिशन हानि, वा खराब शोषण गतिविज्ञान।
  • डाउनटाइमपम्प/भल्भ विफलता, घर्षण स्लरी पहिरन, वा पहुँच गर्न कठिन लेआउटहरूबाट।
  • सुरक्षा तनावसाइनाइड भण्डारण, खुराक, र आपतकालीन प्रतिक्रिया तयारीको वरिपरि।

राम्रो उपकरण डिजाइनले सबै जटिलताहरू हटाउँदैन, तर यसले अनुमान लगाउनु पर्छ।


के "Cyaniding उपकरण" समावेश छ

Cyaniding Equipment

कम्तिमा,Cyaniding उपकरणयी कार्यहरूलाई समर्थन गर्ने प्रणालीको रूपमा बुझ्नुपर्छ:

  • लिचिङ: विघटनको लागि समय, मिश्रण र रसायन नियन्त्रण प्रदान गर्नुहोस्।
  • सुन कब्जा: सक्रिय कार्बन (CIP/CIL) वा वर्षा मार्गहरूमा सोखन।
  • सुन रिकभरी: desorption र electrowinning (वा वैकल्पिक रिकभरी सर्किट)।
  • Detox र tailings ह्यान्डलिंग: अवशिष्ट साइनाइडलाई स्वीकार्य स्तरमा घटाउनुहोस्।
  • उपकरण र नियन्त्रण: मापन र स्थिर pH, घुलनशील अक्सिजन, प्रवाह, र खुराक।

यदि एक आपूर्तिकर्ताले "ट्यांक" को बारेमा मात्र कुरा गर्छ भने, तिनीहरूलाई सम्पूर्ण प्रवाह र नियन्त्रण बिन्दुहरू परिभाषित गर्न धक्का दिनुहोस्। प्रयोगशाला अवस्थाहरूमा साइनिडेशन क्षमाशील छ; अराजक क्षेत्र परिस्थितिमा यो क्षमाशील छैन।


ओरे देखि डोरे सम्मको स्पष्ट प्रक्रिया नक्सा

जबकि प्रत्येक बिरुवा फरक हुन्छ, धेरै जसो साइनिडेशन मार्गहरू एक पहिचान योग्य ब्याकबोन पछ्याउँछन्। प्रस्तावित प्याकेज पूरा भएको छ कि छैन भनी जाँच्न यो नक्सा प्रयोग गर्नुहोस्:

स्टेज यसले के हासिल गर्नुपर्छ विशिष्ट "लुकेको" जोखिम
पूर्व-उपचार (आवश्यकता अनुसार) सुन पहुँचयोग्य बनाउनुहोस् र साइनाइड खपत स्पाइक रोक्न प्रिग-रोबिङ, उच्च तामा, वा प्रतिक्रियाशील सल्फाइडहरू बेवास्ता गर्दै
लिचिङ स्थिर मिश्रण, नियन्त्रित pH, र पर्याप्त अक्सिजन मृत क्षेत्रहरू, कमजोर अक्सिजन स्थानान्तरण, कमजोर चूना प्रणालीबाट अनियमित pH
शोषण (CIL/CIP) घुलनशील सुन कुशलतापूर्वक कब्जा गर्नुहोस् गलत कार्बन आकार/स्थानान्तरण विधि; कार्बन घाटा
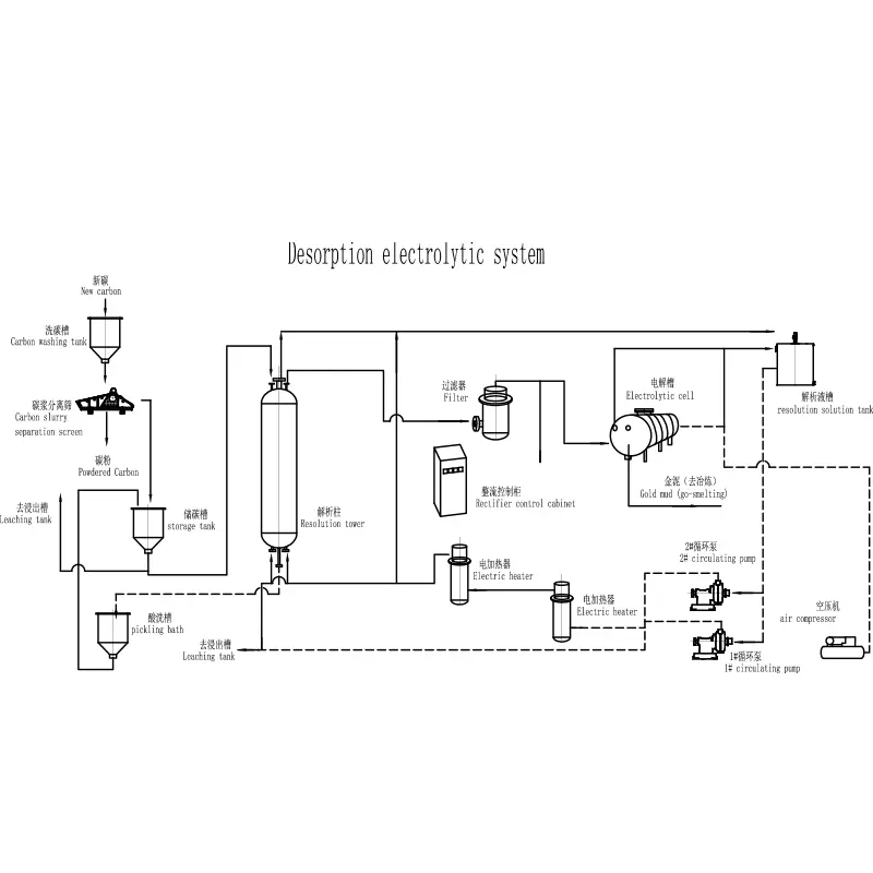
इलुसन / डिसोर्प्शन कार्बनबाट सुनलाई भरपर्दो रूपमा निकाल्नुहोस् असंगत ताप/प्रवाहले कम स्ट्रिपिङ दक्षता निम्त्याउँछ
इलेक्ट्रोइनिङ / स्मेलिङ रिकभर गर्नुहोस् र डोरे उत्पादन गर्नुहोस् अण्डरसाइज्ड सेलहरू, कमजोर इलेक्ट्रोलाइट व्यवस्थापन, स्लज ह्यान्डलिंग समस्याहरू
डिटोक्स डिस्चार्ज/टेलिङ अघि अवशिष्ट साइनाइड घटाउनुहोस् डिजाइन थ्रुपुट परिवर्तनशीलता वा टेलिङ्स केमिस्ट्रीसँग मेल खाँदैन

कुञ्जी मोड्युलहरू र के जाँच गर्ने

१) लिचिङ ट्याङ्की र आन्दोलन

  • के मिक्सिङ डिजाइन तपाईंको स्लरी घनत्व र घर्षणको लागि उपयुक्त छ?
  • के प्रणालीले अयस्क परिवर्तनशीलता अन्तर्गत स्थिर pH कायम राख्न सक्छ?
  • के तपाईको साइटमा अक्सिजन थप्नु व्यावहारिक छ (र डिजाइनमा अक्सिजन स्थानान्तरणलाई विचार गरिन्छ)?
  • के लेआउटले इम्पेलर, लाइनर र बियरिङहरूको सजिलो निरीक्षणलाई अनुमति दिन्छ?

2) कार्बन शोषण र स्थानान्तरण

  • के इन्टरस्टेज स्क्रीनहरू कार्बन बोक्न रोक्न पर्याप्त बलियो छन्?
  • के ब्रेकेज र हानि कम गर्न कार्बन ट्रान्सफर ईन्जिनियर गरिएको छ?
  • के डिजाइन सफाई र कार्बन सूची नियन्त्रण को लागी अनुकूल छ?

3) डिसोर्प्शन र इलेक्ट्रोविनिंग

  • के इलुसन सर्किटले तपाईको कार्बन लोडिङको अपेक्षासँग मेल खान्छ?
  • के तताउने र प्रवाह नियन्त्रणहरू स्थिर छन् ("अपरेटर-निर्भर" होइन)?
  • के फोहोर व्यवस्थापन योजनाबद्ध, सुधारिएको छैन?

4) साइनाइड खुराक र मापन

  • के डोजिङ इन्टरलकहरूसँग स्वचालित छ, वा विशुद्ध रूपमा म्यानुअल?
  • वास्तविक खानी वातावरणमा क्यालिब्रेसन र सेन्सर मर्मतका लागि योजना के छ?
  • के नमूना बिन्दुहरू सुरक्षित र राम्रो स्थितिमा छन्, वा पछिको विचार?

५) डिटोक्स

  • के डिटोक्स डिजाइन तपाईको डिस्चार्ज लक्ष्य र टेलिङ्स केमिस्ट्रीमा आधारित छ?
  • के यसले बन्द गर्न बाध्य नगरी छोटो अवधिको स्पाइकहरू ह्यान्डल गर्न सक्छ?

व्यावहारिक संकेत:कागजमा सस्तो देखिने प्रस्तावले प्रायः सञ्चालनमा लागत धकेल्छ — अतिरिक्त साइनाइड, अतिरिक्त चूना, अतिरिक्त मर्मत श्रम, र थप "वीर" अपरेटर व्यवहार। बिल पछि आउँछ।


आकार र विशिष्टता आधारभूत

तपाईको बजेटको सुरक्षा गर्ने साइजिङ प्रश्नहरू सोध्नको लागि तपाई धातुविज्ञानी हुनु आवश्यक छैन। को लागीCyaniding उपकरण, कोर साइजिङ तर्क थ्रुपुट, निवास समय, र सामूहिक स्थानान्तरण वरिपरि घुम्छ। कुनै पनि अन्तिम डिजाइन स्वीकार गर्नु अघि, यी इनपुटहरू स्पष्ट रूपमा भनिएको छ भनी सुनिश्चित गर्नुहोस्:

  • डिजाइन थ्रुपुट(औसत र शिखर, साथै अपेक्षित मौसमी परिवर्तनशीलता)।
  • लक्ष्य पीस आकारर के हुन्छ यदि चक्की मोटो बग्यो भने।
  • लीच निवास समयर चाहे यो परीक्षण वा अनुमानमा आधारित छ।
  • pH र alkalinity योजना(चूना तयारी र खुराक स्थिरता सहित)।
  • अक्सिजन रणनीति(हावा, अक्सिजन, वा कुनै पनि) र गतिविज्ञान मा अपेक्षित प्रभाव।
  • कार्बन इन्भेन्टरी(कति कार्बन, यो कहाँ बस्छ, र कसरी निगरानी गरिन्छ)।

यदि एक आपूर्तिकर्ताले यसलाई सादा भाषामा व्याख्या गर्न सक्दैन भने, यसलाई जोखिम संकेतको रूपमा व्यवहार गर्नुहोस् - प्राविधिकता होइन।


सुरक्षा र साइनाइड नियन्त्रण जुन वास्तवमा समात्छ

सुरक्षा भित्तामा पोस्टर होइन। साइनिडेशनको साथ, यो भौतिक डिजाइन र नियमित नियन्त्रणमा निर्मित छ। बलियोCyaniding उपकरणप्याकेजहरू सामान्यतया समावेश छन्:

  • भण्डारण र स्थानान्तरण समावेशस्पष्ट स्पिल मार्ग र बन्डिङ तर्क संग।
  • इन्टरलक गरिएको खुराकत्यसैले मुख्य सर्तहरू पूरा नभएको बेला साइनाइड थप्न सकिँदैन।
  • स्पष्ट नमूना डिजाइनजसले नियमित चेकजाँचको समयमा एक्सपोजर जोखिम कम गर्छ।
  • आपतकालीन तयारीअपरेटिङ प्रक्रिया सेटको भागको रूपमा, एड-अन कागजात होइन।

खरिदकर्ताको दृष्टिकोणबाट, तपाईंको काम सरल छ: मानिसहरूले प्रणालीसँग कसरी अन्तरक्रिया गर्छन् भनेर देखाउन प्रस्तावलाई बल दिनुहोस्। तिनीहरू कहाँ खडा छन्? तिनीहरूले के छुन्छ? तिनीहरूले उपकरणहरू कसरी अलग गर्छन्? तिनीहरूले 2 बजे पम्प सील विफलतालाई कसरी प्रतिक्रिया दिन्छन्?


अपरेटिङ लागतहरू साँच्चै कहाँबाट आउँछन्

यदि तपाइँको प्रति औंस लागत माथि बढ्दै छ भने, यो सामान्यतया एक नाटकीय विफलता होइन - यो कम्पाउन्ड प्रणालीमा सानो चुहावट हो। साइनिडेशनमा, सबैभन्दा सामान्य लागत चालकहरू हुन्:

  • साइनाइड खपतप्रतिक्रियात्मक खनिजहरू, ओभरडोज गर्ने बानीहरू, वा खराब नियन्त्रण लूपहरू द्वारा संचालित।
  • कागती खपतजब pH नियन्त्रण अस्थिर हुन्छ वा स्लरी रसायन राम्रोसँग बुझिएको छैन।
  • कार्बन हानिएट्रिशन, स्क्रिन समस्याहरू, वा खराब स्थानान्तरण डिजाइन मार्फत।
  • पावर र मर्मतसम्भारअति-आन्दोलन, अन्डर-डिजाइन गरिएको पहिरन भागहरू, र हार्ड-टू-सर्भिस लेआउटहरूबाट।
लक्षण सम्भावित मूल कारण उपकरण सुविधा जसले मद्दत गर्दछ
अयस्क परिवर्तन हुँदा रिकभरी घट्छ pH/DO अस्थिरता; खराब मिश्रण; अपर्याप्त निवास समय बलियो आन्दोलन, राम्रो नियन्त्रण उपकरण, लचिलो ट्यांक क्षमता
साइनाइड खर्च बढ्दै गएको छ ओभरडोजिङ; उच्च साइनाइड उपभोग गर्ने खनिजहरू; खराब मापन नियन्त्रित खुराक, भरपर्दो नमूना बिन्दुहरू, स्मार्ट इन्टरलकहरू
कार्बन इन्भेन्टरी "रहस्यपूर्ण रूपमा" संकुचित हुन्छ स्क्रिन विफलता; स्थानान्तरण घाटा; त्याग टिकाऊ इन्टरस्टेज स्क्रिनहरू, कोमल स्थानान्तरण डिजाइन, स्पष्ट कार्बन लेखा
बारम्बार बन्दहरू लुगा भागहरू, पम्प सील, पहुँच मुद्दाहरू पहिरन प्रतिरोधी सामग्री, मर्मतसम्भार पहुँच, मानकीकृत स्पेयरहरू

विश्वसनीयता र मर्मत डिजाइन

Cyaniding Equipment

एक साइनिडेशन सर्किट "पूर्ण" देखिन सक्छ र मर्मतसम्भार डिजाइन नगरिएको खण्डमा अझै पनि अविश्वसनीय हुन सक्छ। आपूर्तिकर्ता कसरी पुग्छ सोध्नुहोस्:

  • सामाग्री चयनघर्षण स्लरी क्षेत्रहरू र साइनाइड-सम्पर्क क्षेत्रहरूका लागि।
  • पहुँचस्क्रिनहरू, इम्पेलरहरू, लाइनरहरू, पम्पहरू, र उपकरणहरूमा।
  • स्पेयर पार्ट्स रणनीतिजुन तपाईंको साइटको वास्तविकतासँग मेल खान्छ (लीड समय, रसद, भण्डारण)।
  • मानकीकरणअद्वितीय पहिरन वस्तुहरूको संख्या कम गर्न।

रिमोट अपरेसनहरूमा, "बनाउन सजिलो" "कागजमा अलि बढी कुशल" भन्दा बढी मूल्यवान हुन सक्छ।


आपूर्तिकर्ता प्रश्नहरू तपाईंले सोध्नु पर्छ

बैठकहरूमा यो चेकलिस्ट प्रयोग गर्नुहोस्। यो वार्तालापलाई बहसमा परिणत नगरीकन कमजोर प्रस्तावहरू चाँडै सतहमा ल्याउन डिजाइन गरिएको हो।

  • कुन अयस्क जोखिमहरू टाढा मानिन्छन्, र कुनका लागि सक्रिय रूपमा ईन्जिनियर गरिएको छ?
  • निवास समय, pH दायरा, र अक्सिजन रणनीतिको लागि डिजाइन इनपुटहरू के हुन्?
  • साइनाइड डोजिङ कसरी नियन्त्रण गरिन्छ, र सेन्सर असफल हुँदा के हुन्छ?
  • कार्बन हानि कसरी रोकिन्छ र नियमित कार्यहरूमा मापन गरिन्छ?
  • स्क्रिनहरू, आन्दोलनकारीहरू, र पम्पहरूको लागि मर्मत पहुँच योजना के हो?
  • प्रति शिफ्टमा सिफारिस गरिएका अपरेटर जाँचहरू के के हुन् र तिनीहरूलाई कसरी सुरक्षित बनाइन्छ?
  • कुन कमिसनिङ समर्थन समावेश छ, र कुन अपरेटर प्रशिक्षण प्रदान गरिन्छ?

यदि तपाइँ विक्रेताहरूको मूल्याङ्कन गर्दै हुनुहुन्छ भने, यसले पूर्ण साइनिडेशन प्याकेज आपूर्ति गर्न र एकीकरण विवरणहरूलाई समर्थन गर्न सक्ने निर्मातासँग कुरा गर्न मद्दत गर्न सक्छ। उदाहरण को लागी, Qingdao EPIC खनन मेसिनरी कं, लिमिटेडखनन प्रशोधन उपकरण समाधानहरू प्रदान गर्दछ जहाँ साइनिडेशन प्याकेजहरूलाई ट्याङ्कहरूको विच्छेदन सेटको सट्टा प्रणाली-लीचिंग, सोस्र्पसन, रिकभरी, र नियन्त्रणको रूपमा मानिन्छ।


FAQ

Cyaniding उपकरणलाई आधारभूत भन्दा "आधुनिक" बनाउँछ?

आधुनिक डिजाइनहरू नियन्त्रणयोग्यता र दोहोर्याउने योग्यतामा केन्द्रित हुन्छन्: स्थिर खुराक, भरपर्दो मापन, सुरक्षित नमूना, बलियो पहिरन सुरक्षा, र अपरेटर सुधारलाई कम गर्ने लेआउटहरू। लक्ष्य कम अभिकर्मक अपशिष्ट र कम बन्द संग लगातार रिकभरी छ।

के Cyaniding उपकरण आर्थिक रूपमा कम-ग्रेड अयस्क ह्यान्डल गर्न सक्छ?

यो सक्छ, तर मात्र जब सर्किट तपाईंको गतिविज्ञान र उपभोग प्रोफाइल वरिपरि इन्जिनियर गरिएको छ। न्यून-ग्रेड सञ्चालनहरू अभिकर्मक ओभरस्पेन्डिङ र डाउनटाइमको लागि संवेदनशील हुन्छन्, त्यसैले नियन्त्रण प्रणाली, पहिरन डिजाइन, र कार्बन व्यवस्थापन विशेष गरी महत्त्वपूर्ण हुन्छ।

मलाई सीआईपी वा सीआईएल चाहिन्छ भने कसरी थाहा पाउने?

छनोट सामान्यतया लीच गतिविज्ञानमा निर्भर गर्दछ र कति चाँडो विघटित सुन कब्जा गर्नुपर्छ। यदि सुन चाँडै पग्लन्छ र तपाईं तत्काल कब्जा गर्न चाहनुहुन्छ भने, CIL आकर्षक हुन सक्छ। यदि लीचिङले सोख्नु अघि अलग्गैबाट फाइदा लिन्छ भने, CIP राम्रोसँग फिट हुन सक्छ। मेटलर्जिकल परीक्षण र व्यावहारिक साइट अवरोधहरूले निर्णय ड्राइभ गर्नुपर्छ।

साइनाइड खपत कहिलेकाहीँ अचानक किन बढ्छ?

सामान्य कारणहरूमा अयस्क खनिज परिवर्तनहरू, खराब पीएच नियन्त्रण, अप्रत्याशित अक्सिजन सीमा, वा प्रक्रिया पानीमा प्रदूषण समावेश छ। राम्रो नियन्त्रण योजना र भरपर्दो नमूना बिन्दुहरूले यी स्पाइकहरूलाई छिटो निदान गर्न र सच्याउन सजिलो बनाउँछ।

यदि मेरो साइट रिमोट र छोटो-कर्मचारी छ भने मैले केलाई प्राथमिकता दिनुपर्छ?

म्यानुअल ह्यान्डलिङलाई कम गर्ने मर्मतयोग्यता र स्वचालनलाई प्राथमिकता दिनुहोस्: टिकाउ स्क्रिनहरू, पहुँचयोग्य उपकरण लेआउट, मानकीकृत स्पेयरहरू, इन्टरलक डोजिङ, र स्पष्ट सञ्चालन दिनचर्याहरू जुन "एउटा विशेषज्ञ अपरेटर" मा भर पर्दैन।


र्‍याप-अप

किन्दैCyaniding उपकरणअन्ततः अनिश्चितता कम गर्ने बारे हो। रसायन विज्ञान प्रमाणित हुन सक्छ, तर तपाईंको नाफा निरन्तर नियन्त्रण, व्यावहारिक मर्मत, र सुरक्षामा निर्भर गर्दछ जुन वास्तविक व्यक्तिहरूसँग वास्तविक परिवर्तनहरूमा काम गर्दछ। यदि तपाइँ नयाँ प्लान्ट योजना गर्दै हुनुहुन्छ वा अवस्थित सर्किट अपग्रेड गर्दै हुनुहुन्छ भने, तपाइँको अयस्क वास्तविकताहरू, थ्रुपुट लक्ष्यहरू, र साइट अवरोधहरू तालिकामा ल्याउनुहोस् — र एक प्रस्तावमा जोड दिनुहोस् जसले साइनिडेशनलाई पूर्ण, नियन्त्रणयोग्य प्रणालीको रूपमा व्यवहार गर्दछ।

तपाइँको cyanidation योजना एक भरपर्दो, लागत-स्थिर सञ्चालन मा परिणत गर्न तयार हुनुहुन्छ?आफ्नो अयस्क प्रकार, लक्ष्य क्षमता, र साइट अवस्था, र साझेदारी गर्नुहोस्हामीलाई सम्पर्क गर्नुहोस्तपाइँको प्लान्ट र तपाइँको सञ्चालकहरु लाई मिल्ने व्यावहारिक उपकरण कन्फिगरेसन बारे छलफल गर्न।

सोधपुछ पठाउनुहोस्

X
हामी तपाईंलाई राम्रो ब्राउजिङ अनुभव प्रदान गर्न, साइट ट्राफिक विश्लेषण र सामग्री निजीकृत गर्न कुकीहरू प्रयोग गर्छौं। यो साइट प्रयोग गरेर, तपाईं कुकीहरूको हाम्रो प्रयोगमा सहमत हुनुहुन्छ। गोपनीयता नीति