English
Español
Português
русский
Français
日本語
Deutsch
tiếng Việt
Italiano
Nederlands
ภาษาไทย
Polski
한국어
Svenska
magyar
Malay
বাংলা ভাষার
Dansk
Suomi
हिन्दी
Pilipino
Türkçe
Gaeilge
العربية
Indonesia
Norsk
تمل
český
ελληνικά
український
Javanese
فارسی
தமிழ்
తెలుగు
नेपाली
Burmese
български
ລາວ
Latine
Қазақша
Euskal
Azərbaycan
Slovenský jazyk
Македонски
Lietuvos
Eesti Keel
Română
Slovenski
मराठी
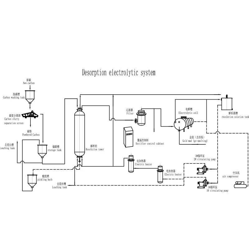
Srpski језик Desorption इलेक्ट्रोलाइटिक प्रणाली आधुनिक सुन निकासीमा विशेष गरी कार्बन-इन-पल्प (CIP) र कार्बन-इन-लीच (CIL) प्रक्रियाहरूमा एक महत्त्वपूर्ण प्रविधि हो। यो ब्लगले प्रणाली कसरी काम गर्छ, यसको कम्पोनेन्टहरू, फाइदाहरू, र किन यो कुशल सुन रिकभरीमा मानक भएको छ भनेर अन्वेषण गर्दछ। हामी यो पनि हाइलाइट गर्छौं ......
थप पढ्नुहोस्जलमग्न सर्पिल वर्गीकरण खनिज प्रशोधनमा एक महत्त्वपूर्ण घटक हो जसले विभिन्न उद्योगहरूमा कणहरूको विभाजन र वर्गीकरण बढाउँछ। यस लेखमा, हामी जलमग्न सर्पिल क्लासिफायरहरूको प्रकार्य, फाइदाहरू, र अनुप्रयोगहरू, साथै EPIC को समाधानहरूले खनन उद्योगमा कसरी योगदान पुर्याउँछ भनेर अन्वेषण गर्नेछौं।
थप पढ्नुहोस्लीचिङ एजिटेशन ट्याङ्कहरू खानी उद्योगमा अत्यावश्यक उपकरणहरू हुन्, विशेष गरी लीचिङ प्रक्रियाहरू मार्फत अयस्कबाट बहुमूल्य धातुहरू निकाल्नका लागि। यस ब्लगमा, हामी खानी उद्योगमा प्रयोग हुने महत्व, काम गर्ने सिद्धान्त र विभिन्न प्रकारका लीचिङ एजिटेशन ट्याङ्कहरूको अन्वेषण गर्नेछौं।
थप पढ्नुहोस्सबमर्ज्ड स्पाइरल क्लासिफायर खनिज प्रशोधनमा उपकरणको एक महत्वपूर्ण टुक्रा हो, गुरुत्वाकर्षण अवसादन र मेकानिकल गति मार्फत आकार र घनत्वमा आधारित कणहरू अलग गर्न डिजाइन गरिएको। खनन, बालुवा धुने, र औद्योगिक वर्गीकरण प्रणालीहरूमा व्यापक रूपमा प्रयोग गरिएको, यो मेसिनले सटीक कण ग्रेडिङ, सुधारिएको रिकभरी दरहरू......
थप पढ्नुहोस्सर्कुलर हाई रेट इनक्लाइन प्लेट थिकनर (CHRIPT) खनन र खनिज प्रशोधन उद्योगमा प्रयोग हुने उपकरणको महत्त्वपूर्ण टुक्रा हो। तरल पदार्थबाट ठोस पदार्थहरूलाई कुशलतापूर्वक अलग गर्ने क्षमताको लागि परिचित, यो मोटोपन फोहोर पानी प्रशोधन, खनिज प्रशोधन, र रासायनिक उद्योगहरू जस्ता उद्योगहरूमा महत्त्वपूर्ण छ।
थप पढ्नुहोस्बेलनाकार फ्रोथ फ्लोटेशन सेलले यसको अनुकूलित डिजाइन, परिष्कृत रिकभरी दरहरू, र ऊर्जा-कुशल प्रदर्शनको साथ खनिज प्रशोधनमा क्रान्तिकारी परिवर्तन गर्दैछ। यस विस्तृत गाइडले कसरी बेलनाकार फ्लोटेशन सेलहरू परम्परागत मोडेलहरू, तिनीहरूको काम गर्ने सिद्धान्तहरू, फाइदाहरू, अनुप्रयोगहरू, र किन EPIC जस्ता कम्पनीहरू......
थप पढ्नुहोस्