Desorption इलेक्ट्रोलाइटिक प्रणाली के हो र यो आधुनिक सुन निकासीको लागि किन आवश्यक छ?

Desorption इलेक्ट्रोलाइटिक प्रणालीआधुनिक सुन निकासीमा विशेष गरी कार्बन-इन-पल्प (CIP) र कार्बन-इन-लीच (CIL) प्रक्रियाहरूमा महत्त्वपूर्ण प्रविधि हो। यो ब्लगले प्रणाली कसरी काम गर्छ, यसको कम्पोनेन्टहरू, फाइदाहरू, र किन यो कुशल सुन रिकभरीमा मानक भएको छ भनेर अन्वेषण गर्दछ। हामी कम्पनीहरूले कसरी मनपर्छ भनेर हाइलाइट गर्छौंEPICयस क्षेत्रमा नवीनता चलाउँदै छन्। अन्त्यमा, तपाइँसँग यो प्रणालीले कसरी उत्पादकता बढाउँछ, लागत घटाउँछ, र रिकभरी दरहरू सुधार गर्छ भन्ने बारे विस्तृत बुझाइ हुनेछ।

Desorption Electrolytic System

सामग्रीको तालिका


Desorption इलेक्ट्रोलाइटिक प्रणाली के हो

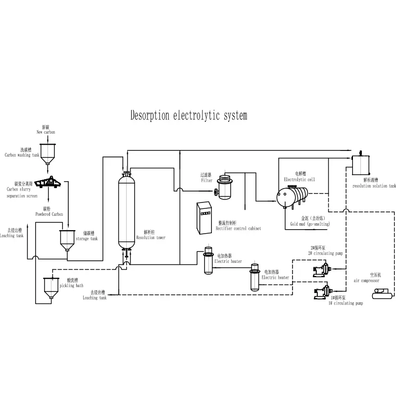
A Desorption इलेक्ट्रोलाइटिक प्रणालीसक्रिय कार्बनबाट सुन निकाल्न प्रयोग गरिने उन्नत सुन रिकभरी प्रणाली हो। यो खनन कार्यहरूमा व्यापक रूपमा लागू हुन्छ जहाँ सुन लीचिंग प्रक्रियाको क्रममा कार्बन कणहरूमा अवशोषित हुन्छ।

  • Desorption: उच्च-तापमान र उच्च-दबाव समाधानहरू प्रयोग गरेर कार्बनबाट सुन हटाउँछ
  • इलेक्ट्रोलिसिस: समाधानबाट सुनलाई क्याथोडहरूमा रिकभर गर्दछ
  • बन्द-लूप प्रणाली: दक्षता र न्यूनतम हानि सुनिश्चित गर्दछ

यो प्रणाली रिकभरी दक्षता सुधार गर्न र परिचालन लागत घटाउनको लागि आवश्यक छ, यसलाई आधुनिक सुन प्रशोधन प्लान्टहरूमा मुख्य घटक बनाउन।


कसरी एक desorption इलेक्ट्रोलाइटिक प्रणाली काम गर्दछ

ए को कार्य सिद्धान्तDesorption इलेक्ट्रोलाइटिक प्रणालीदुई मुख्य चरणहरू समावेश छन्:

  1. डिसोर्प्शन स्टेज:सुनले भरिएको कार्बनलाई तातो क्षारीय साइनाइड घोलले प्रशोधन गरी सुनको आयनहरू निकाल्छ।
  2. इलेक्ट्रोलिसिस चरण:सुनको धनी समाधान इलेक्ट्रोलाइटिक सेलबाट जान्छ जहाँ सुन स्टिल ऊन क्याथोडहरूमा जम्मा हुन्छ।

प्रक्रियाले उच्च दक्षता सुनिश्चित गर्दछ र निरन्तर सञ्चालनको लागि अनुमति दिन्छ, त्यसैले कम्पनीहरू जस्तै प्रणालीहरूEPICऔद्योगिक अनुप्रयोगहरूमा व्यापक रूपमा अपनाइन्छ।


प्रणाली को मुख्य घटक

कम्पोनेन्ट कार्य
डिसोर्प्शन स्तम्भ सक्रिय कार्बन समात्छ र सुन हटाउन सुविधा दिन्छ
इलेक्ट्रोलाइटिक सेल इलेक्ट्रोलाइसिस मार्फत सुन पुन: प्राप्ति गर्दछ
गर्मी एक्सचेंजर आवश्यक तापक्रम कायम राख्छ
फिल्टर प्रणाली घोलबाट अशुद्धता हटाउँछ
नियन्त्रण प्रणाली सञ्चालन र मनिटर प्यारामिटरहरू स्वचालित

प्रणाली कुशलतापूर्वक र निरन्तर रूपमा सञ्चालन भएको सुनिश्चित गर्न प्रत्येक घटकले महत्त्वपूर्ण भूमिका खेल्छ।


प्राविधिक लाभ र सुविधाहरू

  • उच्च सुन रिकभरी दर (98% सम्म)
  • कम ऊर्जा खपत
  • कम श्रम लागतको लागि स्वचालित सञ्चालन
  • स्पेस दक्षताको लागि कम्प्याक्ट डिजाइन
  • न्यूनतम उत्सर्जन संग पर्यावरण अनुकूल

निर्माताहरूले मन पराउँछन्EPICयी प्रणालीहरूलाई विकसित उद्योगको मागहरू पूरा गर्न, राम्रो प्रदर्शन र विश्वसनीयता सुनिश्चित गर्न निरन्तर अनुकूलन गर्नुहोस्।


सुन प्रशोधन मा आवेदन

Desorption इलेक्ट्रोलाइटिक प्रणालीव्यापक रूपमा प्रयोग गरिन्छ:

  • सुन खानी बिरुवाहरु
  • CIP (कार्बन-इन-पल्प) सञ्चालन
  • CIL (कार्बन-इन-लीच) प्रक्रियाहरू
  • सुनको पुच्छर रिकभरी

यसको बहुमुखी प्रतिभाले यसलाई ठूला-ठूला औद्योगिक खनन र दक्षता सुधार खोज्ने साना कार्यहरू दुवैको लागि उपयुक्त बनाउँछ।


परम्परागत विधिहरूसँग तुलना गर्नुहोस्

सुविधा Desorption इलेक्ट्रोलाइटिक प्रणाली परम्परागत विधिहरू
दक्षता उच्च मध्यम
स्वचालन पूर्ण स्वचालित म्यानुअल वा अर्ध स्वचालित
लागत कम दीर्घकालीन लागत उच्च परिचालन लागत
वातावरणीय प्रभाव कम उच्च

स्पष्ट रूपमा, आधुनिक प्रणालीले परम्परागत सुन रिकभरी प्रविधिहरूमा महत्त्वपूर्ण फाइदाहरू प्रदान गर्दछ।


खरीददारहरूको लागि चयन गाइड

छनोट गर्दा एDesorption इलेक्ट्रोलाइटिक प्रणालीनिम्न कारकहरू विचार गर्नुहोस्:

  • प्रशोधन क्षमता
  • स्वचालन स्तर
  • ऊर्जा दक्षता
  • निर्माता प्रतिष्ठा (जस्तै, EPIC)
  • बिक्री पछि समर्थन

सही प्रणाली छनोटले दीर्घकालीन परिचालन सफलता र लगानीमा अधिकतम प्रतिफल सुनिश्चित गर्दछ।


मर्मत र परिचालन सुझावहरू

  • पाइपलाइन र भल्भहरू नियमित रूपमा निरीक्षण गर्नुहोस्
  • तापमान र दबाव स्तरहरू निगरानी गर्नुहोस्
  • इलेक्ट्रोलाइटिक कक्षहरू आवधिक रूपमा सफा गर्नुहोस्
  • बिग्रिएका कम्पोनेन्टहरू तुरुन्तै बदल्नुहोस्
  • निर्माता दिशानिर्देशहरू कडाईका साथ पालना गर्नुहोस्

उचित मर्मतसम्भारले महत्त्वपूर्ण रूपमा प्रणालीको आयु विस्तार गर्दछ र लगातार प्रदर्शन सुनिश्चित गर्दछ।


FAQ

1. Desorption Electrolytic System को मुख्य उद्देश्य के हो?

यसको मुख्य उद्देश्य सक्रिय कार्बनबाट सुनलाई कुशलतापूर्वक निकाल्नु र पुन: प्राप्ति गर्नु हो।

2. प्रणाली कत्तिको प्रभावकारी छ?

अधिकांश प्रणालीहरूले सञ्चालन अवस्थाहरूमा निर्भर गर्दै, 95% भन्दा बढीको सुन रिकभरी दर प्राप्त गर्दछ।

3. के प्रणाली पर्यावरण अनुकूल छ?

हो, आधुनिक प्रणालीहरू उत्सर्जन कम गर्न र रासायनिक फोहोरलाई कम गर्न डिजाइन गरिएको हो।

4. यसलाई अनुकूलित गर्न सकिन्छ?

हो, EPIC जस्ता कम्पनीहरूले प्रशोधन आवश्यकताहरूमा आधारित अनुकूलन समाधानहरू प्रस्ताव गर्छन्।

5. कुन उद्योगहरूले यो प्रणाली प्रयोग गर्छन्?

मुख्य रूपमा सुन खानी उद्योग, तर बहुमूल्य धातु रिकभरी अनुप्रयोगहरूमा पनि।


निष्कर्ष

Desorption इलेक्ट्रोलाइटिक प्रणालीसुन रिकभरी टेक्नोलोजीमा एक सफलता प्रतिनिधित्व गर्दछ, बेजोड दक्षता, विश्वसनीयता, र वातावरणीय प्रदर्शन प्रदान गर्दै। जस्तै उद्योग नेताहरु बाट निरन्तर प्रगति संगEPIC, यो प्रणाली आधुनिक खानी सञ्चालनका लागि बढ्दो आवश्यक हुँदै गइरहेको छ। यदि तपाईं आफ्नो सुन निकासी प्रक्रियालाई अनुकूलन गर्न र नाफा सुधार गर्न खोज्दै हुनुहुन्छ भने, उच्च गुणस्तर प्रणालीमा लगानी गर्नु एक स्मार्ट विकल्प हो।हामीलाई सम्पर्क गर्नुहोस्आज हामी तपाइँको आवश्यकताहरु को लागी अनुकूलित समाधानहरु कसरी प्रदान गर्न सक्छौं भन्ने बारे थप जान्नको लागि।

सोधपुछ पठाउनुहोस्

X
हामी तपाईंलाई राम्रो ब्राउजिङ अनुभव प्रदान गर्न, साइट ट्राफिक विश्लेषण र सामग्री निजीकृत गर्न कुकीहरू प्रयोग गर्छौं। यो साइट प्रयोग गरेर, तपाईं कुकीहरूको हाम्रो प्रयोगमा सहमत हुनुहुन्छ। गोपनीयता नीति