English
Español
Português
русский
Français
日本語
Deutsch
tiếng Việt
Italiano
Nederlands
ภาษาไทย
Polski
한국어
Svenska
magyar
Malay
বাংলা ভাষার
Dansk
Suomi
हिन्दी
Pilipino
Türkçe
Gaeilge
العربية
Indonesia
Norsk
تمل
český
ελληνικά
український
Javanese
فارسی
தமிழ்
తెలుగు
नेपाली
Burmese
български
ລາວ
Latine
Қазақша
Euskal
Azərbaycan
Slovenský jazyk
Македонски
Lietuvos
Eesti Keel
Română
Slovenski
मराठी
Srpski језик 2025-04-03
साइनाइड फोहोर पानीको उपचार सँधै रासायनिक उद्योगमा गाह्रो समस्या भएको छ। त्यसोभए मुख्य के होसिंगाने कामसामान्यतया साइनाइडर फोहोर फोहोर उपचारको लागि प्रयोग गरिन्छ?
सोडियम हाइपोक्रिब्रेटिल समीक्षा उपकरण: सोडियम हाइपोक्रिबर्दको बलियो अक्टोपोलिफ्रेज सम्पत्ति मार्फत गैर-विषाक्त पदार्थहरूमा साइनाइड साइनाइड साइनाइड गर्नुहोस्। सामान्यतया सोडियम हाइपोक्रिबर्जनाइट जेनेरेटर, सोडियम हाइपोक्रिबेल समाधान साइटमा तयार गर्न सकिन्छ। उपकरणले सामान्यतया क्लोरीन उत्पादन एकाई, एक विघटन एकाई र मिटरिंग एकाई समावेश गर्दछ। स्क्लोरिनको प्रक्रियामा सोडियम हाइपोक्रिबेल उत्पादन गर्न सोडियम हाइड्रोक्साइडरको प्रतिक्रियामा प्रतिक्रिया सर्तहरू, प्रतिक्रिया सर्तहरू, सोलोनियम हाइड्रोव्याक्ड एकाग्रता र खुराक को गुणस्तर सुनिश्चित गर्न को लागी आवश्यक छ। यो उपकरण सञ्चालन गर्न अपेक्षाकृत सरल छ, तर यसको अपरेटरको लागि उच्च कौशल आवश्यक छ, र अत्यधिक वा अपर्याप्त सोरोलियम हाइपोक्रिबेलबाट बच्नको लागि प्रतिक्रिया सर्तहरू नियन्त्रण हुनुपर्दछ।
क्लोरीन डाइअक्सेड अक्सिडिशन उपकरणहरू: क्लोरीन डाइअरीक्साइडसँग बलियो अक्सिडाइज गुणहरू छन् र यसलाई प्रभावकारी रूपमा साइनाइड गर्न सकिन्छ। यसका उपकरणहरूले क्लोरीन डाइ क्लोरीन डाइविड जेनेरेटर समावेश गर्दछ, र साधारण व्यक्तिहरू रासायनिक जेनरेटरहरू हुन् र इलेक्ट्रोटिक जेनरेटरहरू छन्। रासायनिक विधि वंशावलीले सोडियम चिल्लो वा सोडियम क्लोरिटसँग हाइड्रोक्लोनिक एसिडलाई उत्पन्न गर्दछ, र प्रतिक्रिया सामग्री र प्रतिक्रिया तापमान र अन्य सर्तहरू नियन्त्रण गर्न आवश्यक; इलेक्ट्रोल्टिक विधि जेनेरेटरले क्लोनल डाइअक्साइड उत्पन्न गर्न नुन समाधानको इलेक्ट्रोलिसिस प्रयोग गर्दछ। उपकरण संरचना अपेक्षाकृत जटिल छ र एक स्थिर विद्युत आपूर्ति र इलेक्ट्रोलिसिस प्रणाली आवश्यक छ। क्लोरीन डाइअक्सेड अक्सिडियन विधि उपकरणहरूको उच्च उपचार दक्षता हुन्छ, तर लागत र अपरेशन लागतसिंगाने कामअपेक्षाकृत उच्च छन्।
क्षारीय तामाको क्लोबलले क्लोरइड विधि उपकरणहरू: तामा क्लोलरले नक्कली सर्तहरू साइनाइनको साथ कम-विषाक्त वा गैर-विषाक्त पदार्थहरूमा रूपान्तरितको साथ नक्कली सर्तहरू प्राप्त गर्दछ। उपकरणमा मुख्यतया एक कापर क्लोलरले क्लोबलमा तयारी उपकरण र प्रतिक्रिया ट्या tank ्क समावेश गर्दछ। तामाको क्लोराइड समाधान फोहोर पानीको साइनाइड एकाग्रता अनुसार तयार आवश्यक छ। प्रतिक्रिया ट्या tank ्कमा, फोहोर पानी र तामाको क्लोराइड समाधान पूर्ण रूपमा मिश्रित गरिएको छ र उत्तेजित गरेर प्रतिक्रिया भयो। यस विधिमा राम्रो उपचार प्रभाव पार्दछ, तर तामा स्लज उत्पादन पछि उपचार आवश्यकता आवश्यक छ, अन्यथा यो माध्यमिक प्रदूषण हुन सक्छ।
कार्बन ADSRORCECHEPPSECT विधि उपकरणहरू: सक्रिय कार्बनसँग एक विशाल विशिष्ट सतह क्षेत्र र धनी पृष्ठ संरचना छ, जसले स्ट्रेडल पानीमा साइनाइडलाई सञ्चालन गर्न सक्छ। सामान्यतया प्रयोग गरिएको उपकरणमा सक्रिय कार्बन Adsornct टावरहरू सामेल छन्। जब फोहोर पानी एडस्पोजिटिभ टावरमा सक्रिय कार्बोन लेयरको माध्यमबाट पार हुन्छ, साइनाइडरले सक्रिय कार्बोनको सतहमा एडस्ट्रेड गर्दछ। Adsorchrapt टावर ब्याकवाश गर्न र सक्रिय कार्बोन को Adsornction प्रदर्शन पुनर्जीवित गर्न नियमित रूपमा पुन: उत्पन्न गर्न आवश्यक छ। सक्रिय कार्बन Adsornction विधि छ सरल उपकरण र सुविधाजनक अपरेशन, तर सक्रिय कार्बनको पुनर्जन्म र प्रतिस्थापन लागत सीमित छ, त्यसैले सक्रिय कार्बन नियमित रूपमा प्रतिस्थापित गर्न आवश्यक छ।
कडा भिल्लान आरोनले रेनिन उपकरणहरू विनियोजन उपकरण: साइन्कललिन आयन एन्कालिन एन्कोलिन एन्कोरिन्ट एक्स एन्क्शन एक्स एन्क्शन एक्स एन्क्शन एक्सएमरेक्शनको उपयोग बन्द गर्नुहोस्। उपकरणमा मुख्यतया आचेंट एक्सचेन्ज स्तम्भहरू र पुनर्जन्म यन्त्रहरू समावेश गर्दछ। कडा एलिकुलिन आयन एक्सचेन्ज रेनिन रेन एक्सचेन्ज स्तम्भमा भरिएको छ। जब फोहोर पानी एक्सचेंज स्तम्भ मार्फत जान्छ, साइनाइड राइनिन द्वारा विज्ञापन हुन्छ, र आउटस्ट्रिंग पानीले डिस्चार्ज मानकलाई भेट्दछ। जब रेनिन Assoncorce को साथ संतृप्त छ, यसलाई रेनिनको Adsorncore क्षमता पुनर्स्थापित गर्न एक रेजेनरेशन एजेन्ट संग पुन: उत्पन्न गर्न आवश्यक छ। आयन एक्सचेन्ज विधिमा राम्रो उपचार प्रभाव पार्छ र साइनाइडर हटाउन सक्दछ, तर रेनिनको पुनर्जन्सिम प्रक्रिया सम्बन्धित जटिल छ, त्यसैले यसलाई नियमित रूपमा प्रतिस्थापित गर्न आवश्यक छ।
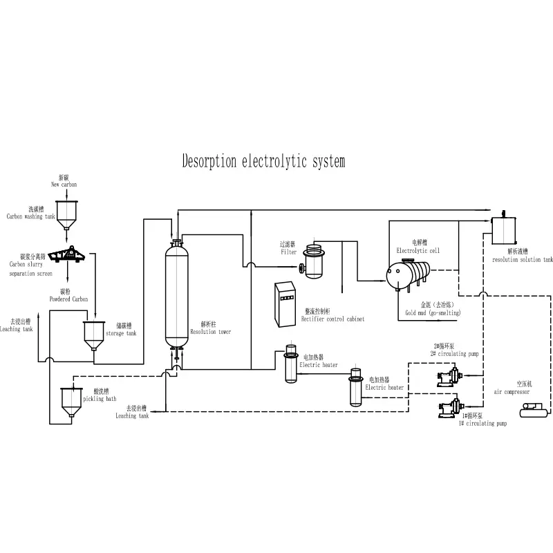
थप रूपमा, त्यहाँ इलेक्ट्रोलिसिस उपकरणहरू छन्। असमानसिंगाने कामआफ्नै फाइदा र बेफाइदाहरू छन्। व्यावहारिक अनुप्रयोगहरूमा यो बुझाउनु आवश्यक छ कि फोहोर पानी, उपचार आवश्यकताहरू, र लागतको प्रकृति जस्ता कथनहरू विचार गर्नु आवश्यक छ, र उपयुक्त उपचार प्रभावहरू प्राप्त गर्न बहु उपकरणहरू चयन गर्नुहोस्।